Ford phát minh hệ thống ống xả có thể thu gọn để off-road tốt hơn
Mặc dù nghe có vẻ khá đơn giản nhưng hệ thống xả có thể thu gọn sẽ là một cách cải thiện khả năng off-road mà không cần phải thiết kế lại toàn bộ xe.
LIÊN HỆ LÁI THỬ - MUA TRẢ GÓP - ƯU ĐÃI
Bạn muốn đặt hotline tại đây? Liên hệ:

Ford đăng ký phát minh ống xả có thể thu gọn.
Jeep đã nói xấu về khả năng off-road của Ford khi cho rằng những người mua Ford Explorer Timberline đang bị lừa. Ford đã đáp trả bằng cách là chỉ ra rằng Bronco và các mẫu xe mới khác của hãng đang được nhiều khách hàng yêu thích.
Bất chấp những lời qua tiếng lại, nhưng không thể phủ nhận rằng cả 2 thương hiệu đều rất xuất sắc trong lĩnh vực của mình và luôn tìm cách cải thiện khả năng của xe.

Mới đây, Ford đã đăng ký sáng chế về hệ thống ống xả mới có thể cải thiện trải nghiệm off-road. Do hồ sơ được nộp ở cả Đức và Mỹ nên Ford có thể sẽ ứng dụng phát minh công nghệ mới này cho mẫu xe được bán ra trên phạm vi toàn cầu.
Hiểu một cách đơn giản, Ford đã có ý tưởng về việc trang bị hệ thống xả có thể thu gọn cho ô tô. Nhìn chung, hầu hết các phương tiện đều có góc tới (approach angle) lớn hơn góc thoát (departure angle). Điều này có nghĩa là xe có thể dễ dàng vượt qua chướng ngại vật mà không làm hỏng phần đầu xe nhưng phần sau xe thường sẽ bị trầy xước.

Theo hãng xe Ford, khi vượt địa hình, ống xả là một trong những khu vực thường bị trầy xước hoặc biến dạng. Điều này có thể khiến khách hàng cảm nhận tiêu cực về khả năng của xe.
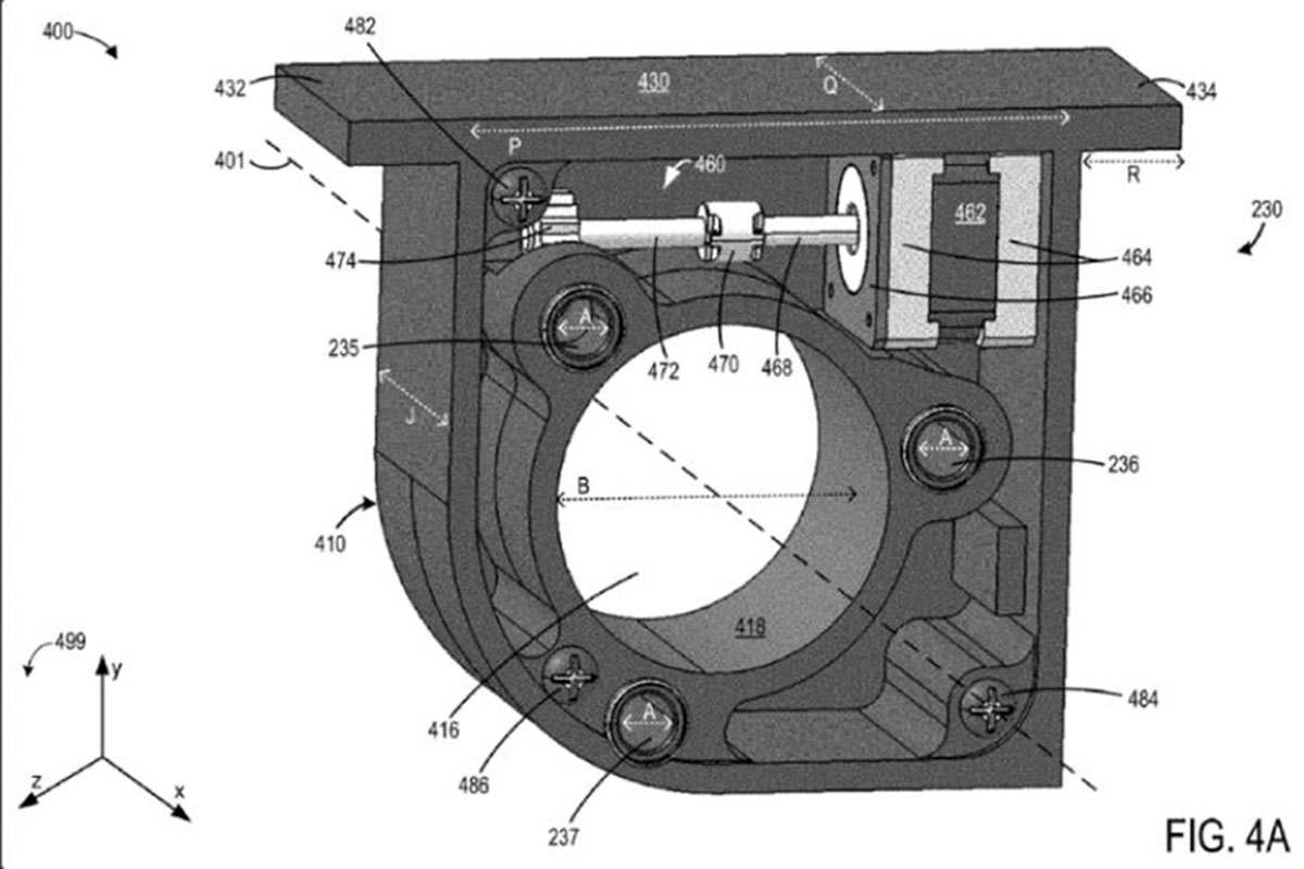
Hãng xe Mỹ cho biết hệ thống ống xả có thể thu gọn bao gồm đầu ống xả tách biệt khỏi đường ống xả để cho phép cả 2 bộ phận này chuyển động một cách tương đối. Cụ thể, mô-đun thu gọn đầu ống xả (ETRM) được gắn cố định vào ống xả và đóng vai trò là giới hạn hành trình cho đầu ống xả. ETRM có bộ truyền động, bánh răng và nhiều ổ trục tuyến tính. Trong khi đó, đầu ống xả bao gồm bộ trục mở rộng kết hợp với các ổ trục tuyến tính trong ETRM.

Hồ sơ về hệ thống ống xả có thể thu gọn của Ford giải thích rằng động cơ điện sẽ điều khiển bánh răng và di chuyển các trục mở rộng của đường ống thông qua hệ thống thanh răng và bánh răng. Do đó, trục mở rộng có thể chuyển động lùi hoặc tiến sao cho đầu ống xả có thể “co duỗi” đến vị trí mặc định.
Mặc dù nghe có vẻ khá đơn giản nhưng đây lại là cách cải thiện khả năng off-road mà không cần phải thiết kế lại toàn bộ xe. Thực tế, để có thể sản xuất hệ thống xả có thể thu gọn, Ford vẫn cần phải xem xét đến những yếu tố khác, ví dụ như vấn đề chi phí.
Người Việt quan tâm đến mẫu xe nào
-
Giá lăn bánh Ford Everest 2019 mới nhất
-
Thủ tục vay mua Ford Everest trả góp kèm lãi suất cho vay chi tiết nhất
-
Vay mua xe Ford EcoSport 2020 trả góp: Mẹo tránh gặp rủi ro
-
Ford Mustang mui trần cửa 'cắt kéo', vừa xuất hiện ở Hà Nội có nguồn gốc gây tò mò
-
Cận cảnh 'siêu bán tải' Ford F-150 Raptor 2020 mới về Việt Nam: Nhiều option hơn, giá rẻ vài trăm triệu so với trước





